Bender & Wirth
deutsch english

Katalog Nr.

Sockel

Bemerkung

Bemessungs-Werte

   

430

LED Alle B+W Standardhalter der Serie 430
finden Sie in unserem Gesamtkatalog.

Produktvorteile der LED Halter Serie 430:
> sichere Kontaktierung der LED
> stabiles und formbeständiges Material
> extrem flache Bauweise

   

431

LED LED Halter 431

passend für folgende COBs: Datenblatt

Produktvorteile der LED Halter Serie 430:
> sichere lötfreie Kontaktierung der LED
> stabiles und formbeständiges Material
> extrem flache Bauweise
Spannung: 80 V DC
Strom: 5 A
Temperatur: T 180

   

631

LED
LED 630
COB Halter Hybrid 631

Passend für folgende COBs und Optikschnittstellen: siehe Datenblatt

Produktvorteile:
> Kern aus Mikanit
> Gehäuse mit Optikschnittstelle
> Clip-In-Funktion
> integrierte Steckklemme

Weitere Informationen / Varianten.
Spannung: 250 V DC
Strom: 5 A
Temperatur: T 120

   

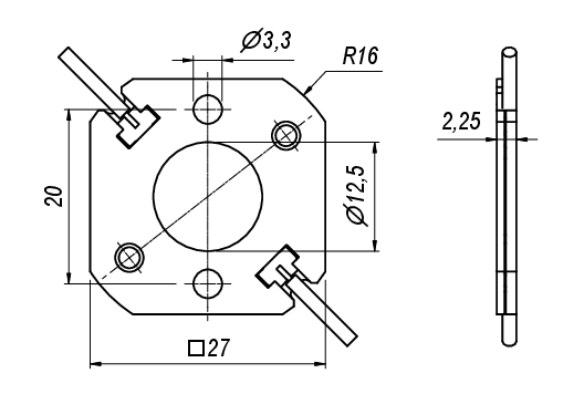
432

LED LED Halter 432

passend für folgende COBs: Datenblatt

Produktvorteile der LED Halter Serie 430:
> sichere lötfreie Kontaktierung der LED
> stabiles und formbeständiges Material
> extrem flache Bauweise
Spannung: 80 V DC
Strom: 5 A
Temperatur: T 180

   

632

LED
LED 630
COB Halter Hybrid 632

Passend für folgende COBs und Optikschnittstellen: siehe Datenblatt

Produktvorteile:
> Kern aus Mikanit
> Gehäuse mit Optikschnittstelle
> Clip-In-Funktion
> integrierte Steckklemme

Weitere Informationen / Varianten.
Spannung: 250 V DC
Strom: 5 A
Temperatur: T 120

   

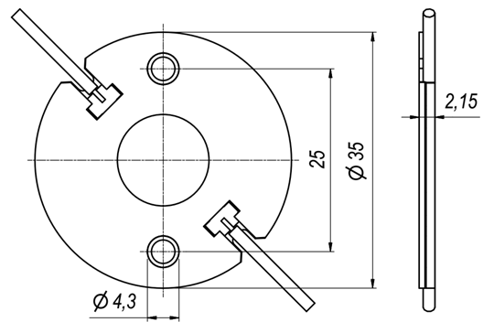
433

LED LED Halter 433

passend für folgende COBs: Datenblatt

Produktvorteile der LED Halter Serie 430:
> sichere lötfreie Kontaktierung der LED
> stabiles und formbeständiges Material
> extrem flache Bauweise
Spannung: 80 V DC
Strom: 5 A
Temperatur: T 180

   

633

LED
LED 630
COB Halter Hybrid 633

Passend für folgende COBs und Optikschnittstellen: siehe Datenblatt

Produktvorteile:
> Kern aus Mikanit
> Gehäuse mit Optikschnittstelle
> Clip-In-Funktion
> integrierte Steckklemme

Weitere Informationen / Varianten.
Spannung: 250 V DC
Strom: 5 A
Temperatur: T 120

   

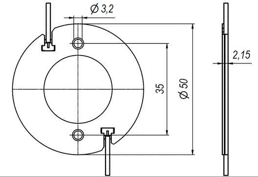
434

LED LED Halter 434

passend für folgende COBs: Datenblatt

Produktvorteile der LED Halter Serie 430:
> sichere lötfreie Kontaktierung der LED
> stabiles und formbeständiges Material
> extrem flache Bauweise
Spannung: 80 V DC
Strom: 5 A
Temperatur: T 180

   

434

LED LED Halter 434

passend für folgende COBs: Datenblatt

Produktvorteile der LED Halter Serie 430:
> sichere lötfreie Kontaktierung der LED
> stabiles und formbeständiges Material
> extrem flache Bauweise
Spannung: 80 V DC
Strom: 5 A
Temperatur: T 180

   

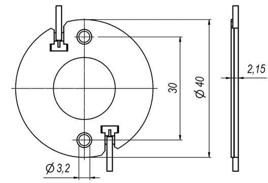
634

LED
LED 630
COB Halter Hybrid 634

Passend für folgende COBs und Optikschnittstellen: siehe Datenblatt

Produktvorteile:
> Kern aus Mikanit
> Gehäuse mit Optikschnittstelle
> Clip-In-Funktion
> integrierte Steckklemme

Weitere Informationen / Varianten.
Spannung: 250 V DC
Strom: 5 A
Temperatur: T 120

NEUHEITEN KATALOG UNTERNEHMEN KONTAKT DISCLAIMER IMPRESSUM DATENSCHUTZ